


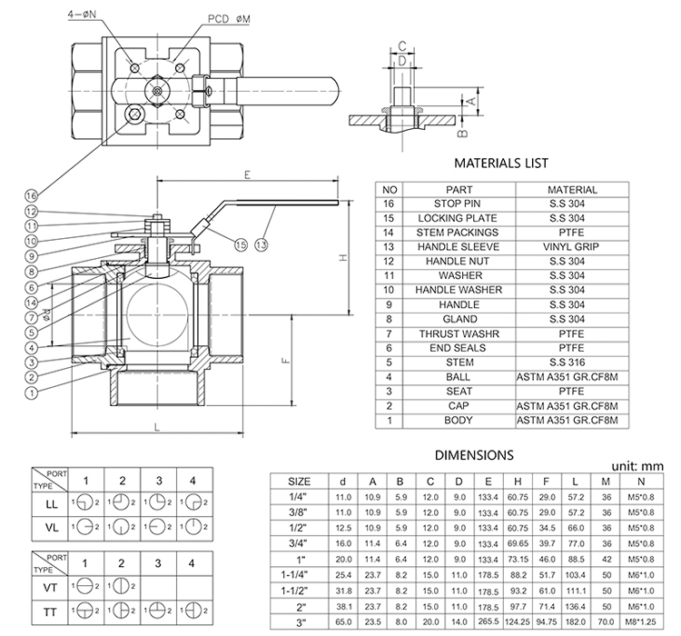
BVRB-3BT立式三通球阀
产品特征:
SPECIFICATIONS
*公称压力:1/4”~2”1000PSI WOG
Working Pressure: 1/4”~2”1000PSI WOG
*适用温度范围:-20~150℃
Temperature Range: -20~150℃
*防爆中轴Blow-Out-Proof Stem Design
*防静电装置Antistatic Device
*精密铸造Investment Casting
*固溶化处理Solution Treatment
*连接形式:内螺纹
End Types: Female Threaded
*挂锁装置(可选)
Locking Device (option)
*减流量Reduced Bore


|