


V-31KD 异径三通球阀
产品特征:
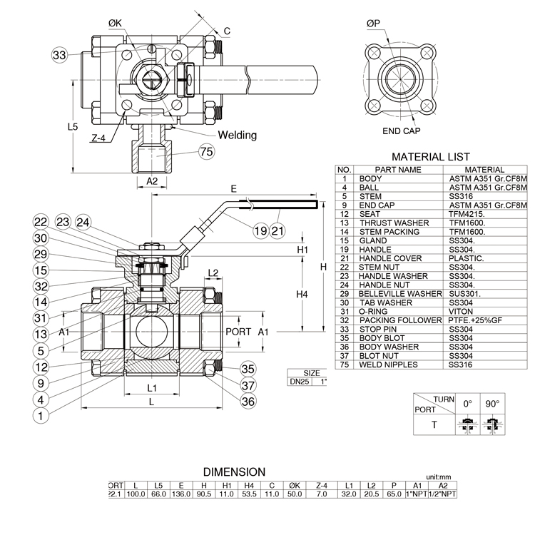
SPECIFICATIONS
*公称压力:2000WOG
Working Pressure: 2000WOG
*適用溫度範圍:-60~200℃(TFM4215)
Temperature Range:60~200℃(TFM4215) *防爆中軸 Blow-Out-Proof Stem Design
*精密鑄造 Investment Casting
*固溶化處理 Solution Treatment
*防靜電裝置 Antistatic Device
*ISO5211直接安裝執行機構平臺設計
ISO5211 Direct-Mounting of Actuators of Valves Design
*連接形式:内螺紋
End Types: Female Threaded
*掛鎖裝置(可選)
Locking Device (option)
*异径三通
Reducing Tee


1、异径三通球阀用于乙烯加料系统 |