


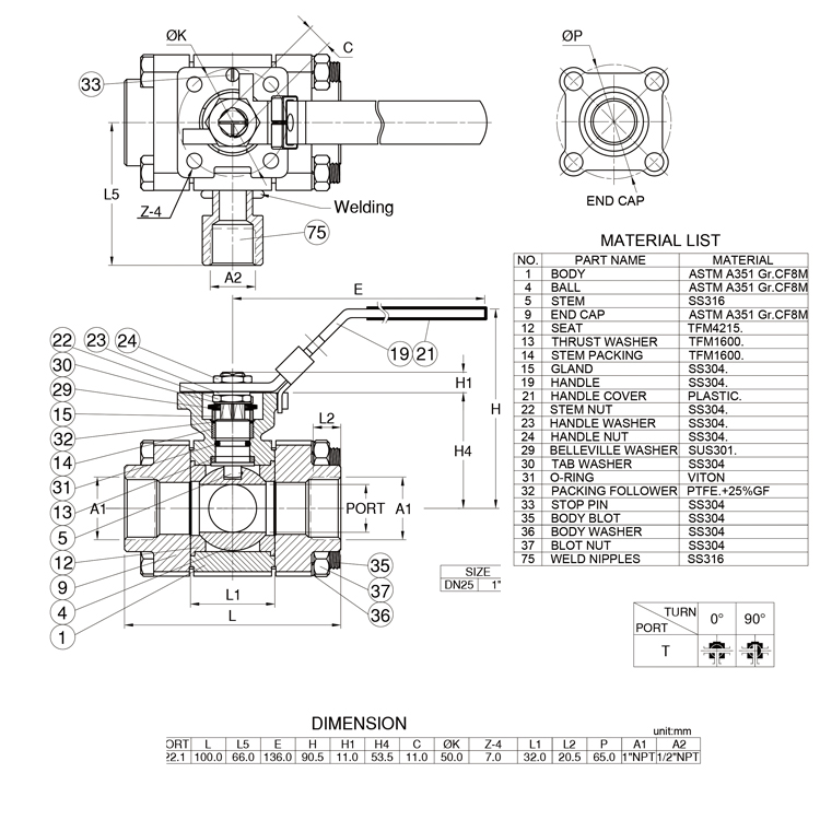
V-31KD Reducing Tee Ball Valve
SPECIFICATIONS
*Working Pressure: 2000WOG
*Temperature Range:60~200℃(TFM4215)
*Blow-Out-Proof Stem Design
*Investment Casting
*Solution Treatment
*Antistatic Device
*ISO5211 Direct-Mounting of Actuators of Valves Design
*End Types: Female Threaded
*Locking Device (option)
*Reducing Tee

1、The reducing tee ball valve is used in the ethylene feeding system. |